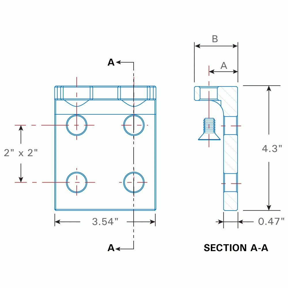
Description
Locate or clamp your weldment at or beyond the table edge, by mounting the Side Bracket at the edge of your Slotted or MAX Welding Table.
Use the Side Bracket to vertically mount clamping elements, such as the Straight Edge Stops or Right Angle Brackets to add greater functionality to your table in fixturing oversized weldments.







